Цифровой диммер с плавным пуском для регулировки как ламп так и неоновых трансформаторов.
ОБЩИЕ СВЕДЕНИЯ
Для регулировки и увеличения срока службы свечения ламп накаливания с плавным пуском, светодиодных прожекторов большой мощности или нагревательных элементов.
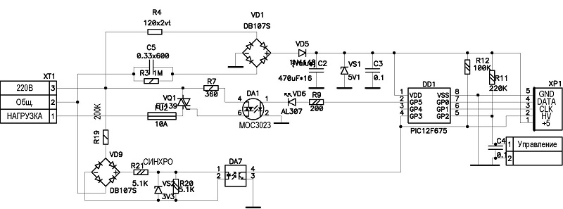
Фазовый регулятор мощности ― это электронное устройство, пропускающее в нагрузку определенную часть каждого полупериода переменного напряжения.
Простой способ установки прибора между источником и потребителем электроэнергии.
Прибор используется для наружной установки (Возможна внутренняя установка прибора).
ТЕХНИЧЕСКИЕ ХАРАКТЕРИСТИКИ
1. Номинальное напряжение сети ― 50 ― 270 В.
2. Номинальная частота ― Гц 50.
3. Максимальная нагрузка ― 2000 Вт.
4. Мощность, потребляемая от сети ― 0,25 Вт.
5. Габаритные размеры ― 115х115х65 мм.
6. Степень защиты реле ― IP 56.
7. Климатическое исполнение ― УХЛ ― 1.
8. Масса прибора 205 г., в упаковке ― 225 г.
9. Условия эксплуатации:
― температура окружающей среды от ― 30 до + 40 С.
КОНСТРУКЦИЯ И НАСТРОЙКИ
Регулятор выпускается в герметичном корпусе с присоединением проводов питания и активной или резистивной нагрузки.
Сбоку прибора установлен потенциометр для регулировки выходного напряжения.
ПОДКЛЮЧЕНИЕ ПРИБОРА
Обязательно установите автоматический выключатель на выходе прибора в соответствии с подключенной нагрузкой.
При замене перегоревших ламп установите автоматический выключатель на клеммы ФАЗА и НАГРУЗКА, включите автомат и замените лампы!

― Снять пластиковую крышку прибора.
― Прикрутить прибор на плоскость.
― Диаметр подключаемых проводов должен быть не больше размера гермоввода.
― Зачистить провода и подключить согласно схемы в паспорте изделия.
― При подключении проводов сечением более 2,5 мм ² использовать наконечники.
― Закрыть пластиковую крышку.

КОМПЛЕКТ ПОСТАВКИ
1. Блок ― 1 шт.
2. Гермоввод ― 2 шт.
3. Паспорт ― 1 шт.
4. Упаковка ― 1 шт.
УКАЗАНИЕ МЕР БЕЗОПАСНОСТИ
Монтаж, подключение и эксплуатация должны производиться в строгом соответствии с «Правилами эксплуатации электроустановок».
Силовой щит должен быть оборудован устройством принудительного отключения напряжения с защитой от КЗ и перегрузок.
Кабели и провода должны быть надежно заземлены и защищены от попадания воды.
ГАРАНТИЙНЫЕ ОБЯЗАТЕЛЬСТВА
1. Срок гарантийного обслуживания – 24 месяца с момента приобретения.
2. В случае невозможного устранения возникшей неисправности, предприятие произведет замену на аналогичное изделие.
3. Настоящая гарантия не распространяется на изделия, получившие повреждения:
― По причинам, возникшим в процессе установки, освоения или использования изделия неправильным образом;
― При подключении нагрузки превышающей допустимую;
― В случае если изделие было вскрыто или ремонтировалось лицом, не уполномоченным на то предприятием-изготовителем.

